Распашные противопожарные ворота с классом огнестойкости EI90, EI120
Гарантия
1 год на весь товар
Доставка из Москвы
от 2 до 4 дней
Доставка по ДНР
Бесплатно
Установка специалистами
Оплачивается отдельно
Предоплата
Без предоплаты
от
83 297 ₽
Цена указана с НДС 20%

Консультация и заказ
Описание
Противопожарные распашные ворота DoorHan EI90, EI120 применяются в качестве защиты от огня и распространения дыма в смежные с источником возгорания помещения. Противопожарные ворота изготавливаются из специальных огнеустойчивых панелей с минераловатной прослойкой. Степень огнестойкости противопожарных ворот не менее 90 минут. Возможно реализация автоматического открывания противопожарных ворот. Десять стандартных цветов не влияющих на цену, возможна покраска в RAL заказчика. Максимально возможные размеры составляют 5000х5000 мм. Встроенный монтаж в проем. Купить распашные противопожарные ворота Вы сможете набрав наших менеджеров, Цена распашных противопожарных ворот рассчитывается в зависимости от размеров.
Конструкция
Технические характеристики

Таблица размеров

Размеры проема

Конструкция

- Полотно ворот из сэндвич-панелей
- Рама ворот
- Задвижка ригельная
- Врезная калитка
- Замок
- Ручка
Монтаж
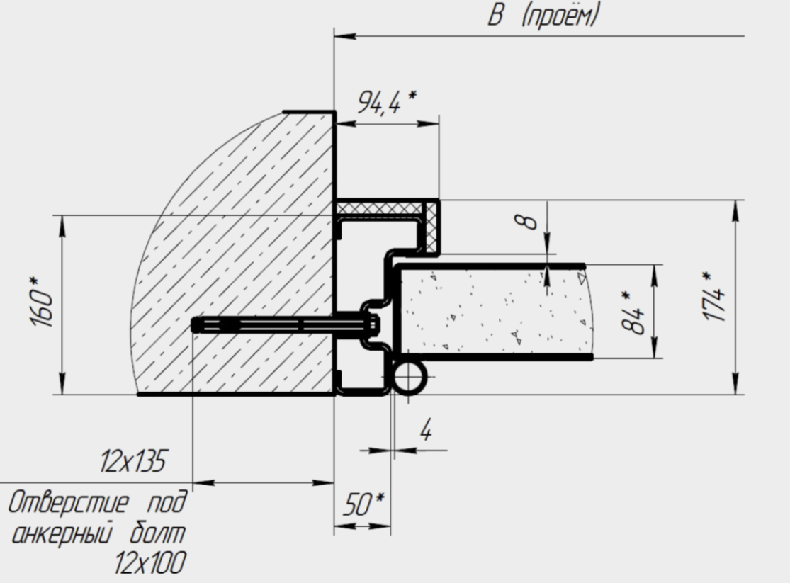
Подготовка проема

Замер каждой величины необходимо производить как минимум по трем точкам:
H – высота проема (расстояние от пола до верха проема);
B – ширина проема (расстояние от левого края до правого края проема);
h – притолока (расстояние от верха проема до препятствия);
b1/b2 – левое/правое боковое расстояние (расстояние от соответствующего края проема до препятствия).
Требования к строительному объекту
При замере H и B за итоговый размер принимается наименьшая величина.
Способы монтажа
Встроенный монтаж

Стандартные конструктивные решения
Панели противопожарных распашных ворот состоят из двух стальных листов и минераловатной прослойки между ними, с боковой стороны закладывается гипсокартон с усиливающими профилями. Панели обладают повышенными жароустойчивыми и огнеупорными свойствами. Также панели устойчивы к широкому спектру химикатов, масел и растворителей, а полимерные покрытия внешних поверхностей делают их невосприимчивыми к коррозионному воздействию окружающей среды. Конструкция панели:
1) гипсокартон;
2) минераловатная прослойка плотностью 130 кг/м³;
3) стальной лист толщиной 0,5 мм;
4) усиливающие профили.

Противопожарные ворота без калитки







Преимущества


Внешний вид
Противопожарные распашные ворота

Противопожарные распашные ворота с ригелем

Установка противопожарных распашных ворот является одним из эффективных методов локализации очага возгорания. Противопожарные ворота сдерживают распространение огня и продуктов горения, тем самым увеличивают время, необходимое для принятия жизненно важных решений. Огнестойкость ворот обеспечивается за счет использования в их конструкции панелей с наполнителем из минеральной ваты. На полотно ворот и в проем устанавливаются специальные профили и терморасширяющаяся лента, которая при возрастании температуры увеличивается в объеме и герметизирует проем. Противопожарные распашные ворота могут быть выполнены симметричными (с одинаковой шириной створок) и несимметричными (с разной шириной створок), с открыванием внутрь или наружу помещения. Так как они имеют две створки, для термоизоляции и предотвращения проникновения дыма в местах их стыка применяется специальная система уплотнителей по периметру створок ворот. Для автоматизации противопожарных ворот применяются электроприводы DoorHan для распашных ворот.
Зона применения
Распашные противопожарные ворота устанавливаются в складских, жилых и торговых комплексах

Распашные противопожарные ворота устанавливаются так же в паркингах и промышленных помещениях

Внешний вид

Полотно имеет фактурные шероховатости «Stucco» и может быть окрашено в любой из 10 стандартных цветов, или за дополнительную плату, в любой из RAL-цветов

Комплектация
Базовая комплектация распашных противопожарных ворот
Щит ворот их стальных сэндвич панелей 80 мм

Рама ворот

Врезной замок с ответной частью

Ригельная задвижка

Комплект крепежных элементов с документами ворот

Условия эксплуатации
- Распашные ворота должны работать плавно без заклиниваний и рывков.
- Ручное открывание и закрывание ворот осуществляется только при помощи ручки.
- Замок створок полотна имеет одностороннюю личинку для закрытия на ключ.
- В случае появления при работе распашных ворот посторонних звуков (скрип, скрежет) необходимо приостановить использование и обратиться к квалифицированному персоналу.
- При открытии и закрытии ворот вручную не прилагайте к ним больших усилий. Запрещается открывать створки ворот резкими толчками.
- Во избежание несчастного случая следите, чтобы в момент открытия распашных ворот люди и животные не находились в зоне действия ворот.
- Следите, чтобы в момент работы распашных ворот в проеме не было посторонних предметов.
- В случае установки дополнительного оборудования, не предусмотренного для использования совместно с распашными воротами, необходимо обращаться в техническую службу предприятия-изготовителя для консультации.
- Своевременно производите чистку петель ворот во избежание их заклинивания.
- Не допускается при работе автоматики удерживать полотно распашных ворот. Это может привести к травме или поломке конструкции.
- Для обеспечения надежной и бесперебойной работы ворот рекомендуется регулярно (не реже 1 раз в год) проводить их технический осмотр.
- В случае открытия/закрытия ворот с помощью привода, механический замок или задвижка должны находиться в открытом состоянии.
- Не допускайте детей к устройствам управления автоматическими воротами (кнопкам, пультам).
- Не подвергайте ворота ударам и не препятствуйте их свободному открытию и закрытию.
- Внимательно ознакомьтесь с инструкцией по эксплуатации автоматического привода для надежной и долговечной работы.
- В случае использования распашных ворот или их комплектующих не по назначению производитель не несет ответственности за их целостность и надежность.


