Комплект автоматики для распашных ворот SWING-4000 до 800 кг + 2 пульта
Гарантия
1 год на весь товар
Доставка из Москвы
от 2 до 4 дней
Доставка по ДНР
Бесплатно
Установка специалистами
Оплачивается отдельно
Предоплата
Без предоплаты
от
26 840 ₽
Цена указана с НДС 20%

Консультация и заказ
Описание
Комплект автоматики для распашных ворот Swing-4000
Состав комплекта:
- 2 привода Swing 4000;
- блок управления SW mini с встроенным приемником;
- крепежные элементы;
- ключ аварийного расцепителя.
Электромеханический привод линейного типа Swing-4000 предназначен для автоматизации уличных двухстворчатых распашных ворот с жесткой силовой рамой с массой одной створки до 400 кг. Электропитание 220В мощностью 140 В. Скорость открытия 1,8 см/сек.Корпус привода состоит из двух силуминовых частей, в которых расположены мотор-редуктор и ходовой винт. Червячная передача и планетарный редуктор образуют самоблокирующуюся систему, которая обеспечивает механическую блокировку створки при выключенном двигателе. Удобная и безопасная система расцепления позволяет вручную открывать или закрывать створку в случае отсутствия электропитания или каких-либо неисправностей в блоке управления. Работа автоматической системы контролируется выносным блоком управления в ударопрочном герметичном корпусе. Купить автоматику для распашных ворот Вы сможете набрав наших менеджеров. Цена указана за комплект автоматики распашных ворот. Паспорт, инструкция по установке, чертеж и каталог запасных частей привода вы сможете увидеть ниже под описанием в Инструкциях и Документах.
Конструкция

- Мотор
- Силовой кaбель
- Задний кронштейн
- Передний кронштейн
- Корпус
Способы монтажа

Устанавливается на кронштейны на столбы ворот
Открывание Внутрь с помощью кронштейнов на створки ворот


Открывание Наружу с помощью кронштейнов на створки ворот


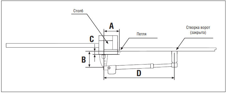
Схема установки приводов и прокладки кабеля

Материалы для установки привода Swing-4000 и соответствующих аксессуаров (при наличии):
- Кабель 2 × 0,5 мм2 (передатчик фотоэлементов, пошаговая кнопка для управления).
- Кабель 4 × 0,5 мм2 (приемник фотоэлементов).
- Кабель 4 × 1,5 мм2 (питание).
- Кабель 3 × 0,5 мм2 (концевые выключатели).
Технические характеристики


Видеообзор
Преимущества
Преимущества распашной автоматики DoorHan Swing 4000



Внешний вид
Привод DoorHan Swing 4000 общий вид

Ходовой винт из высокопрочной стали

Специальный механизм аварийного расцепления (при потере электропитания)

Сталь и бронза основные материалы в использовании деталей редуктора, продлевающие срок службы.

Комплектация
Базовая комплектация

2 электропривода, блок управления в корпусе, крепежные элементы, ключ расцепителя
Дополнительная комплектация
Модуль WI-FI для беспроводного управления шлагбаумом или электроприводом ворот по средствам программного обеспечения на мобильных устройствах.

Модуль GSM предназначен для управления шлагбаумом или электроприводом ворот через звонок с мобильного телефона.

Пульт Doorhan Transmitter 2 Pro Black для дистанционного управления двумя автоматическими устройствами.

Пульт Doorhan Transmitter 4 Pro Black для дистанционного управления 4 автоматическими устройствами.

Пульт Doorhan Transmitter 4 для дистанционного управления 4 автоматическими устройствами.

Пульт Doorhan Transmitter Premium в металлическом корпусе для дистанционного управления 4 автоматическими устройствами.

Беспроводная кнопка управления Command-433 для дистанционного управления двумя автоматическими устройствами.

Клавишный выключатель с возвратным механизмом SWITCH для подачи управляющей команды на блок управления приводом.

Беспроводная кодовая клавиатура KEYPAD для дистанционного управления автоматическим устройством.

Ключ-кнопка KEYSWITCH-N для подачи управляющей команды на блок управления приводом с помощью поворота ключа.

Антивандальная кодовая клавиатура KEYCODE для управления автоматическим устройством, также может быть использована как внешняя клавишная панель с устройством считывания проксимити-карт.

Фотоэлементы безопасности Photocell-N, состоящие из инфракрасного передатчика и приемника.

Беспроводные фотоэлементы безопасности Photocell-Pro с поворотной платой для несимметричных проемов.

Сирена Sirena предназначена для звукового оповещения движения ворот или шлагбаума.

Внешний радиоприемник DHRE-1 предназначен для управления автоматикой других производителей с помощью пульта Дорхан.

Сигнальная светодиодная лампа с антенной LAMP-PRO предназначена для светового оповещения движения ворот или шлагбаума.

Светофор Traffic-light-LED для обеспечения безопасности движения при использовании автоматических устройств, ограничивающих доступ.

Обогреватель Heater предназначен для обогрева электроприводов ворот и шлагбаумов при эксплуатации в условиях низких температур

Условия эксплуатации
- Перед установкой приводов нужно убедиться в том, что ворота работают плавно.
- Необходимо удостовериться, что место эксплуатации соответствует по своим климатическим условиям характеристикам привода.
- Запрещается устанавливать оборудование в помещениях с наличием быстровоспламеняющихся веществ или опасных сред.
- Убедитесь в том, что не произойдет защемления предметов между подвижной и неподвижной частями привода при движении ворот.
- Необходимо использовать дополнительные аксессуары только компании DoorHan во избежание поломок привода.
- Запрещается оставлять электродвигатель в расцепленном состоянии.
- Запрещается использовать привод, если необходим ремонт или регулировка.
- Убедитесь в отсутствии посторонних предметов в зоне действия электропривода перед его запуском.
- Проезд и проход разрешается только при остановившихся воротах и выключенном приводе.
- Не позволяйте детям пользоваться приводом и комплектующими.
- Запрещается вносить изменения в автоматическую часть.


